“
通过本实验活动,读者将能观察并理解电荷与电压、电流和电阻之间的关系。本文介绍了欧姆定律,讲解了如何运用它来理解电学原理,并设计了一个简单实验来直观演示相关概念。
”
作者:Antoniu Miclaus,软件工程师
目标
通过本实验活动,读者将能观察并理解电荷与电压、电流和电阻之间的关系。本文介绍了欧姆定律,讲解了如何运用它来理解电学原理,并设计了一个简单实验来直观演示相关概念。
电力基础知识
在开始探索电力和电气工程时,了解电压、电流和电阻之间的基本关系很有帮助。我们肉眼无法看到流经电线的能量,也看不见放在工作台上的电池电压。天上的闪电虽然绚烂可见,但那并非云层与地面间的直接能量交换。闪光的出现,是因为电能通过空气时将空气加热,从而释放出光亮。检测电能需要借助测量工具,如万用表、示波器和频谱分析仪等,以使系统中电信号的变化可视化。通过本实验活动,读者将会对电压、电流、电阻以及这三者之间的关系有一个基本了解。
电荷
电的本质是电子的运动(流动)。电灯、电风扇、收音机、手机等,都是利用电子的运动来实现功能运转。
本实验的三个基本原理可以用电子,更准确地说,用电子产生的电荷来解释:
电路是一个闭合回路,允许电荷从一个地方移动到另一个地方。通过电路中的元器件,我们能够控制电荷并利用它做功。
格奥尔格·欧姆是巴伐利亚的一位科学家,专注于电学研究。欧姆定律首先通过电流与电压定义了电阻单位。
电压
电压是指电路中两点之间的电势能差。当一点的电荷(电子)比另一点多时,这两点之间的电荷差就叫做电压。电压的度量单位为伏特。伏特用于描述两个点之间的电势能差。如果1库仑电荷从一个点移动到另一个点时获得1焦耳能量,那么这两个点之间的电势差就是1伏特。
在描述电压、电流、电阻等电学特性时,常以水箱模型进行类比。在该类比中,电荷对应水的体积,电压对应水压,而电流对应水流。所以,对于该类比,请记住:
水 = 电荷
水压 = 电压
水流 = 电流
试想一个位于地面上某一高度的水箱。这个水箱的底部有一根软管。软管末端的压力可以代表电压。水箱中的水代表电荷。水箱中的水越多,电荷就越多,软管末端测得的压力就越高。
把水箱想象成电池,即储存和释放一定能量的地方。将水箱中的水排掉一部分后,软管末端的压力会下降。这类似于电压降低,就像手电筒的电池电量减少时光线会变暗一样。流过软管的水量也会减少。压力变小意味着流动的水变少,电流也是如此。
电流
水从水箱经过水管的流动可以类比为电流。水压越高,流量越大,反之亦然。对于水,测量的是在一定时间内流过水管的水量。对于电,测量的是在一定时间内流过电路的电荷量。电流的度量单位为安培,简称安(A)。在电路中,若每秒有1库仑(6.241 × 10^18个电子)的电荷通过某一点,则流经该点的电流为1安培。
现在试想两个大小相同、水量一致的水箱,但其中一个水箱的软管比另一个水箱的软管更细(直径较小)。在两条软管的末端测得的压力相同,这是因为水箱中的水量相等,向下施加的压力一致。然而,当水开始流动时,细水管水箱的水流量会小于粗水管水箱的水流量。
从电学角度理解,细水管对应较小的电流,粗水管则对应较大的电流。若要让两条水管的流量达到相同水平,必须增加细水管水箱的水量(电荷),从而提升其压力。细软管末端压力(电压)的升高会推动更多的水流出水箱,这正对应于电压升高时电流增加的现象。
这里还有一个因素需要考虑:软管的直径。在该类比中,软管的直径决定了水(电荷)流动的阻力。因此,我们需要为该模型再添加一个术语:
水 = 电荷
水压 = 电压
水流 = 电流
管径 = 电阻
电阻
再次试想两个水箱,一个连接小直径管道,另一个连接大直径管道。
相同体积的水在相同压力下,细管道所能通过的水量要小于粗管道,这就是阻力的体现。尽管两个水箱中的水压相同,但细管道阻碍了水流的通过。
在电学中,这种情形对应于两个电压相等但电阻不同的电路。在电路中,电阻越高,能够通过的电荷就越少,也就是流经该电路的电流越小。
这一发现归功于格奥尔格·欧姆。他给出了电阻单位的定义:若在导体的两点间施加1伏特电压,能够产生1安培电流,即每秒有6.241 × 10^18个电子流动,那么这两点之间的电阻就是1欧姆(Ω)。
欧姆定律
欧姆将电压、电流和电阻这三个要素结合起来,提出了如下公式:

其中:
V = 电压,单位为伏特
I = 电流,单位为安培
R = 电阻,单位为欧姆
这就是欧姆定律。例如,某电路中电压为1 V,电流为1 A,电阻为1 Ω,根据欧姆定律可表示为:

继续用水进行类比,此电路对应于一个连接粗水管的水箱。水箱中的水量设定为1 V,水管的粗细程度(即对水流的阻力)设定为1 Ω。根据欧姆定律,产生的流量(电流)即为1安培。
现在试想一个连接细水管的水箱。由于水管较细,其对水流的阻力更大。该阻力可设定为两倍大小,即2 Ω。该水箱中的水量与另一个水箱相同,因此电压相同。根据欧姆定律,细水管水箱对应的公式为:

电流是多少呢?由于电阻更大,而电压相同,因此得出的电流值为0.5 A:

所以,正如预测的那样,电阻较高的“水箱”中电流较低。如果知道欧姆定律中的两个值,就可以求解第三个值。
实验演示
在这个实验中,我们将点亮一个发光二极管(LED)。LED较为脆弱,只允许有限的电流流过其中。若电流超过最大允许值,LED可能会被烧毁。所有LED数据手册都会标示电流额定值。它是LED能够承受的最大电流值,超出此数值就会损坏LED。
使用来自ADALM2000的5 V电源作为电压源。
材料
注:LED属于非欧姆器件,流过LED的电流与其两端电压之间的关系不是简单的线性关系V = IR。LED是一种特殊类型的二极管。所有二极管都存在内部电压降。然而,在这个实验中,我们要避免的只是流经LED的电流过大。因此,我们可以暂时忽略LED的非欧姆电流特性,仅根据欧姆定律选择电阻值,确保流过LED的电流始终在20 mA以下的安全范围。
对于此示例,ADALM2000的V+输出配置为生成5 V,使用一个电流额定值为20 mA(即0.020 A)的(红光)LED。为了安全起见,请勿以最大电流驱动LED,而应使用数据手册中列出的建议电流来驱动,即18 mA(或0.018 A)。直接将LED连接到电池,使用欧姆定律计算相关数值,如下所示:

将公式变形以求解I:

现在仅有导线,而没有电阻:

除以零会导致电流无限大!实际上,电流并非真正无限大,而是达到ADALM2000的+5V电源所能提供的最大值。我们当然不希望那么大的电流流过LED,因而电路中需要包含一个电阻。
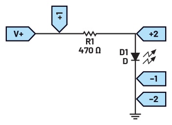
电路连接应如图1所示。

图1.由5 V电源为LED供电的电路
使用欧姆定律来确定电阻值,以获得所需的电流值:

将公式变形以求解R:

代入值5 V和0.018 A:

求解电阻:

因此,R1所需的电阻值大约是277 Ω,它能使流过LED的电流始终低于最大额定值。
这不是现成电阻的常见值,因此本实验中使用470 Ω电阻(黄色、紫色、棕色),这是ADALP2000套件中大于277 Ω的最接近的电阻值。图2显示了电路组装完成后的样子。
LED成功点亮!电阻值足够高,使得流过LED的电流始终低于其最大额定值,同时又足够低,确保电流足以使LED发出明亮稳定的光。开启5 V正电源。如果LED不亮,请确保LED的(+)和(-)端连接正确。
这个LED/限流电阻示例在电子学中很常见。通常需要运用欧姆定律来改变电路中的电流大小。

图2.由5 V电源为LED供电的电路,试验板设置
在LED之前还是之后限流?
更进一步来看,无论将限流电阻置于LED的哪一侧,电路的工作方式都完全相同(图3)。

图3.元件位置互换的LED电路
许多刚接触电子学的读者常常难以理解:为什么不管限流电阻放在LED的哪一侧,电路都能正常运作?尝试交换电路中电阻和LED的位置。在这两种情况下,LED是否会以相同的亮度点亮?
这里同样可以借助水进行类比:设想一根水管构成一个连续的环路,一台水泵持续推动水流在环路中循环。如果在水管的某处安装一个阀门,当阀门关闭时,整个水管中的水都会停止流动,而不仅仅是某一段停止流动。现在想象阀门略微开启,水的流动会受到限制。无论这个略微开启的阀门位于环路的哪个位置,它都会降低整个水管中的流量。水不会在阀门上游“堆积”。泵出口侧与阀门之间的管段压力会上升,而阀门与泵出口侧之间的管段压力会下降。泵类似于提升电压的电压源,而阀门类似于降低电压的电阻。
这是一种过于简单化的说法,因为限流电阻只能放置在电路中的两个地方,即位于LED的任一侧,以实现限流功能。
为了给出更科学的解释,我们需要借助基尔霍夫电压定律(KVL)。该定律指出,在电路的任何闭合回路中,所有电压变化的总和为零。正因为如此,限流电阻无论放在LED的哪一侧,最终效果都相同。有关更多信息和运用KVL的一些练习题,请访问ADI的《电子学I》课程。
测量实际电压和电流
ADALM2000还有两个输入通道,可用作电压表。按照图4所示进行连接,测量电路中的实际电压。连接通道1电压表输入以测量5 V电源,连接通道2电压表以测量二极管正(+)端的电压。

图4.测量电路/原理图中的实际电压
按照图5所示连接电压表输入。

图5.测量电路中实际电压的试验板连接
启动Scopy电压表工具。界面看起来如图6所示。

图6.Scopy电压表工具屏幕
点击绿色Run(运行)按钮,电路电压就会显示出来。Channel 1 Voltage(通道1电压)应显示5 V电源的实际值。Channel 2 Voltage(通道2电压)应显示LED两端的实际电压。在这个例子中,红光LED的电压为1.84 V。这两个电压(通道1和通道2)之间的差异将是电阻两端的电压,在本例中为3.12 V。
使用欧姆定律计算电阻中的电流:

或者:

或者:
6.6 mA
问题
您可以在学子专区论坛上找到问题答案。
猜你喜欢