“
本文将探讨采用交替式降压-升压控制的优势,并深入剖析影响降压-升压架构瞬态响应的控制局限性。此外,文中将针对各工作区域提供优化瞬态性能的策略。
”
作者:Mark Derhake,应用工程师
摘要
本文将探讨采用交替式降压-升压控制的优势,并深入剖析影响降压-升压架构瞬态响应的控制局限性。此外,文中将针对各工作区域提供优化瞬态性能的策略。
引言
H桥降压-升压集成电路(IC)通常用于即使系统电池电压降至较低水平时仍需要恒定电压或电流源的应用中。当需要单级转换器且输出电压可高于或低于输入电压时,通常会使用此类IC。此外,此类IC可用作LED应用的电流源,从而将典型的先升压后降压的设计简化为单级设计。由于耦合电感的成本问题,与其他降压-升压拓扑(如单端初级电感转换器(SEPIC))相比,此类IC可能更受青睐。
顾名思义,H桥降压-升压架构是将降压电路和升压电路组合成单个转换器的复合结构。其中需要用到四个开关,这些开关通过检测输出与输入之间的比率来确定工作模式,从而调节输出。

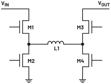
图1.典型的H桥降压-升压配置。
H桥降压-升压转换器通过在多种模式中切换来工作。当输入电压远高于输出电压时,电路将通过切换开关1和开关2以纯降压模式运行(见图1)。当输入电压远低于输出电压时,电路将通过切换开关3和开关4以纯升压模式运行(见图1)。当输入电压接近输出电压时,电路将以降压-升压模式运行。在这种模式下,有几种方法可以控制四个开关以实现适当的调节。
工作模式
为了确定工作模式,电路必须检测输出与输入的比率。然后将该比率与内部设定值进行比较,以确定工作模式。通常,这些值会设置一定的滞后量,以确保在输入电压上升和下降时,不同工作模式之间能够平滑过渡。
降压区域
当降压模式的内部比较器因输出电压显著低于输入电压而触发时,电路将作为纯降压转换器运行。要在降压区域工作,开关3必须始终闭合,开关4必须始终断开。随后,开关1和开关2可像在普通强制脉宽调制(FPWM)降压转换器中那样切换LX1(见图2)。

图2.18 V至12 V降压工作模式。
升压区域
当升压模式的内部比较器因输出电压显著高于输入电压而触发时,电路将作为纯升压转换器运行。要在升压区域工作,开关1必须始终闭合,开关2必须始终断开。随后,开关3和开关4可像在普通强制脉宽调制(FPWM)升压转换器中那样切换LX2(见图3)。

图3.6 V至12 V升压工作模式。
降压-升压区域
当输出电压接近输入电压(略高或略低)时,电路将在降压-升压区域工作。
降压-升压交替控制
通过降压-升压交替控制,电路将通过在降压侧和升压侧之间交替切换来调节输出。具体而言,电路初始时将运行降压开关,而占空比由补偿电压设定。降压开关会在一个完整的开关周期内工作,之后电路切换至升压侧。一旦降压侧完成一个完整周期,升压侧将开始切换,其占空比同样由补偿电压控制。这种工作方式允许H桥的两侧根据需要调整每个降压和升压脉冲,达到调节输出的目的。此外,由于H桥的每一半仅在另一侧完成切换后才会动作,因此工作频率实际上会减半(见图4)。

图4.降压-升压区域。
这种控制方法具有诸多优势。首先是效率方面,由于在降压-升压区域开关频率减半,开关损耗随之减少。在电磁干扰(EMI)方面也有类似的改善效果。尽管开关频率减半,但它始终保持一致,从而简化了EMI问题。另外,这种方法还能改善瞬态响应。这是因为当输出略高于输入时,有效升压占空比会更低。因此,在这种控制方案中,降压-升压区域的右半平面零点(RHPZ)可保持在更高频率。
要了解电路在降压-升压区域中的调节方式,不妨考虑输入略高于输出的情况。在降压-升压周期的一开始,通过闭合开关1和3来控制降压侧,这会使得电感电流以(VIN - VOUT )/L1的斜率上升至峰值。一旦降压导通时间结束,控制环路将断开开关1并闭合开关2。在降压周期的关断时间内,电感电流将以VOUT/L1的斜率下降至谷值,从而确定电感的峰峰值纹波。当降压侧完成一个完整的开关周期后,逻辑电路将切换至升压侧。升压侧首先会断开开关2,并保持开关1和3闭合,这一动作对应升压的关断时间。此时电感电流将以与降压导通时间相同的方式上升,电流斜率为(VIN - VOUT )/L1。当升压关断时间结束后,控制环路将通过断开开关3并闭合开关4来设定升压导通时间,这会使得电感电流以VIN/L1的斜率重新上升至降压导通时间开始时的水平(见图5)。

图5.降压-升压开关(VIN > VOUT)。
接下来,考虑VIN略低于VOUT的情况。在这种情况下,每个开关周期保持不变。两种情况的主要区别在于:当VIN > VOUT时,电感电流纹波由降压关断时间设定;而当VIN < VOUT时,电感电流纹波则由升压导通时间设定。在降压-升压区域中,电感电流纹波还会翻倍,这是因为H桥的降压侧和升压侧的工作频率减半。如图6所示,电感电流仅在一个完整的降压和升压周期完成后才会完成一个完整周期。

图6.降压-升压开关(VOUT > VIN)。
效率优势
在降压-升压电路中,当电路进入降压-升压区域时,整体功率级效率会下降。而采用交替控制时,降压-升压区域的效率可得到提升,这得益于降压-升压区域内有效频率的降低。例如,在降压工作模式下,若工作频率为2.1 MHz,则开关1和开关2每476 ns完成一次开关动作。当电路在升压区域工作时,开关3和开关4的工作逻辑同理。而在降压-升压区域工作时,这一机制仍然成立,只是此时开关会在两侧之间交替切换。这意味着,即使在降压-升压区域,开关动作的次数仍然保持不变,从而使这种控制方法的效率更优。
瞬态响应优势
来看一下输出略高于输入的情况。此时电路处于降压-升压区域。由于电路的升压作用强于降压作用,升压模式的RHPZ对电路的影响将更为显著。而采用降压-升压交替控制时,这种影响会减弱,因为在升压区域,电感电流能够以更长的时间斜坡上升。这也意味着,输入电压的变化对输出的影响更小,原因在于电感电流可通过更长的斜坡上升时间,更快地补偿输入电压的波动。
降压-升压电路的瞬态优化
在对降压-升压集成电路进行补偿时,交越频率的选择必须考虑最坏情况下的负载、输入电压、输出电容值和电感值。由于降压-升压集成电路可在升压区域工作,最坏情况下的VIN可能会使电路进入纯升压模式。当电路工作在纯升压模式时,会受到RHPZ的额外限制。由于RHPZ与电感充电和向输出端传输能量之间的时间延迟相关,因此必须对环路进行补偿,使其频率为该零点频率的1/3至1/5。正因如此,即便在无RHPZ的降压区域有更大带宽可用,降压-升压电路的瞬态响应仍会受到限制。通常,为了补偿控制环路,会使用由补偿电阻Rcomp1和补偿电容Ccomp组成的阻容(RC)补偿网络,以提供合适的相位和增益。为了优化升压和降压区域的瞬态响应,可在RC补偿网络中额外增添一个电阻(Rcomp2),并在Rcomp2两端并联一个开关,使其根据电路工作区域来接入或断开补偿网络。当电路工作在升压模式时,开关将Rcomp2短路,从而降低交越频率;当电路进入降压-升压或降压区域时,开关断开,Rcomp2有助于进一步提升增益和相位。这将产生提高交越频率的效果。这种工作方式可使电路在升压区域具有足够低的交越频率,同时在降压区域具有足够高的交越频率(见图7)。

图7.瞬态改善电路。
控制环路(平均电流模式控制)
降压-升压电路的控制环路实现方式有多种,其中最受关注的是平均电流模式控制,它具备其他控制方式所不具备的诸多优势。
抗噪声能力
在平均电流模式控制中,电感电流会被感测并与补偿电平进行比较,随后输入至包含RC补偿网络的内环误差放大器。该积分器为内环提供高增益,经补偿的内环信号再与锯齿波比较以生成占空比。这种设计具备更强的抗噪能力,因为环路调节的是平均电流,电感波形中的任何电流尖峰都会被滤除。以峰值或谷值电流模式控制为例,当感测到的电感电流相对于峰值或谷值较小时,若感测电流上的任何尖峰未经过前沿消隐或滤波处理,可能会导致采样错误,进而削弱抗噪声能力。即便采用滤波措施,在低负载电流下,斜率补偿量相对于感测信号可能过大,也会造成调节偏差增大。
最小导通时间和最小关断时间
由于平均电流模式控制在内环电流环路中采用积分器,并将锯齿波输入至比较器以生成占空比,其最小导通时间和最小关断时间显著小于峰值电流模式或谷值电流模式。后两种模式因需配置前沿消隐等电路,会导致最小导通/关断时间更长。
无需斜率补偿
平均电流模式控制无需斜率补偿,由此简化了最大电流限制的设计,因为它不再受附加斜率的影响。由于无需斜率补偿,与峰值电流模式相比,平均电流模式在不连续导通模式(DCM)下也具有更优的性能,而峰值电流模式中斜率补偿量可能在感测信号中占比较大。
并联操作
多转换器并联运行时,平均电流模式控制可实现最佳均流效果。这是因为外环会设定各转换器的平均电流,而峰值或谷值电流模式由于各转换器电感存在细微差异,会导致电流出现偏差。
设计示例
目标是设计一个电路,其VIN范围为6 V至18 V,VOUT为13 V,负载为2.5 A,需尽量减少输出电容,而且要使VOUT pp在±5%以内。若要将输出电容最小化,可先选择2.1 MHz的开关频率。在2.1 MHz频率下,电感值通常选用1 µH。VOUT限值允许650 mV的瞬态波动。为估算所需的输出电容,首先需考虑最坏情况的VIN,这种情况会使电路处于升压区域。在升压区域中,RHPZ可通过公式1计算。

通过求解RHPZ并将其除以5,可将升压区域的交越频率设定为35 kHz。输出电容可通过公式2进行估算。

通过求解该公式,估算出输出电容为17.5 µF。将该值向上取整为22 µF。在选定元件后,可从升压区域开始设计补偿网络,以实现35 kHz的交越频率。选定Rcomp和Ccomp后,就必须针对18 VIN的降压区域对电路进行补偿。由于该区域不存在RHPZ,因此将交越频率选为100 kHz,随后可调节Rcomp2来实现这一交越频率。一切就绪后,需检查每种情况下的瞬态响应。由于添加了Rcomp2,降压区域和降压-升压区域中的瞬态响应得以改善。参见图8、图9和图10。

图8.6 VIN时的升压瞬态(426 mV)。

图9.18 VIN时的降压瞬态(167 mV)。

图10.13 VIN时的降压-升压瞬态(201 mV)。
结语
为优化降压-升压电路,可采用降压-升压交替控制。相较于传统控制方法,交替控制具有诸多优势,包括改善瞬态响应、提升效率、简化设计及降低电磁干扰(EMI)。此外,通过增添补偿电阻Rcomp2来拓展控制环路带宽,可进一步优化降压-升压电路的瞬态响应性能。
上一篇:【已经是第一篇了】
猜你喜欢