“
本文介绍的电路能以高精度测量从几安培到数百安培的电流。许多应用都需要测量电流。很多数字万用表可以高精度地测量最高10 A的电流。然而,如果需要测量更大的电流,则必须使用其他方法。
”
作者:Simon Bramble,首席应用工程师
摘要
本文介绍的电路能以高精度测量从几安培到数百安培的电流。
引言
许多应用都需要测量电流。很多数字万用表可以高精度地测量最高10 A的电流。然而,如果需要测量更大的电流,则必须使用其他方法。在负载回路中串联一个电流检测电阻并测量其两端的电压降,可以轻松实现电流检测,但这种方法并非没有代价。检测电阻两端的电压应足够小,以便为负载提供最大电压,并使检测电阻的热耗散最小化;同时阻值又必须足够大,以便能够以高精度测量检测电阻两端的电压。还有一个问题:使用示波器等设备测量电压时,如果接地线不是以地为基准,那么测量结果可能不准确。本文描述的电路有助于以高精度测量检测电阻两端的较低电压,并产生一个放大的、以地为基准的输出电压。
电路
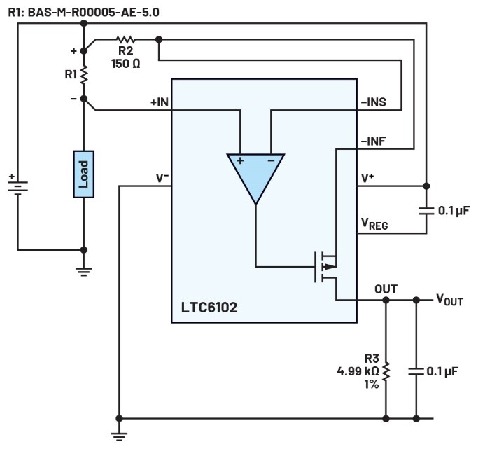
图1所示电路采用LTC6102和Isabellenhütte的50 µΩ分流器。负载中的电流在检测电阻R1上产生一个电压。该器件有一个反馈回路,它让电流流入-INF引脚,从而使+IN和-INS保持相同电压。因此,R1上的电压与R2上的电压相同。所以,流经R2的电流低于负载电流,降低的幅度取决于R2与R1之比。此电流流经OUT引脚,并在R3上产生一个电压,该电压可以进行测量。

图1.电流检测电路
输出电压可由公式1表示:

经过变换可得公式2:

*小知识:Isabellenhütte是世界上现存历史最悠久的电子公司。

图2.输出电压和误差与分流电压的关系
直流测量
为了避免使用大电流评估电路的性能,可以将50 µΩ分流电阻替换为1 Ω精密电阻。这样一来,电路依旧能够产生相同的输出电压,但负载电阻提升了20,000倍。此外,由于使用大值负载电阻,测试引线的阻抗就不会影响电阻读数。负载电阻两端的电压和负载的阻值均可利用标准万用表测量,由此可以高精度地计算负载电流。
因此,1 Ω分流电阻两端的电压可以在不同的负载电流下进行计算,然后可以使用示波器或电压表测量该器件的输出电压。图2中的表格显示了使用1 Ω、1%电阻作为分流电阻,在不同负载下测得的结果。A、B和D列的读数是利用校准的万用表测得的。C列计算方法为:将负载两端的电压(A列)除以测得的负载电阻(B列),然后乘以检测电阻。E列计算方法为:将分流电压除以150 (R2),再乘以4990 (R3)。F列计算方法为:从测得的输出电压(D列)中减去计算得到的输出电压(E列),然后除以计算得到的输出电压。
图3显示了输出电压与分流电压的关系。右侧轴显示了计算的输出电压与测量的输出电压之间的百分比误差。

图3.输出电压和误差与分流电压的关系
输入失调电压会给检测电阻两端测得的电压带来误差,因此检测电阻两端的电压必须显著高于失调电压。举例来说,如果检测电阻两端的电压为100 mV,电流检测放大器的输入失调电压为1 mV,那么后者将给读数带来1%的误差。分流电阻两端的电压越高,测量结果越准确,但随之而来的问题是,分流电阻的热损耗也会增加,导致负载上的电压下降。高失调电压也会限制能够准确测量的负载电流的动态范围。随着负载电流的减少,分流电阻两端的电压会变小,输入失调电压会导致误差成比例地增加。
该器件的输入失调电压为10 µV,对测量误差的影响非常小,因此它能确保对宽动态负载电流进行准确测量。如图2和图3所示,当检测电压低于55 µV时,失调电压开始引入显著的误差。
校准
图2显示,985 Ω的负载电阻产生了12.2234 mV的分流电压。与分流电压相比,输入失调电压微不足道,不会对读数误差产生影响。系统现在可以进行校准。R3可调整,使测量电压等于计算的输出电压406.63 mV,从而消除电阻R1、R2和R3造成的误差。
图2显示,大电流下的误差为-0.65%,而低电流下的误差为+3.94%。通过调整R3校准系统后,低电流下的误差为+4.59%,因此现在测得的输出电压应为1.935 mV。通过计算输出电压与新的测量输出电压之间的差值,可以计算输入失调电压,如公式3所示。

这与数据手册中的输入失调电压值(约3 µV)相符。
交流测量
LTC6102能够进行高精度直流测量,那么其交流测量能力如何呢?降压转换器的输入电流具有较大交流成分,若要确定其效率,IC必须以高精度测量此电流。
图4显示了频率响应。

图4.LTC6102的增益与频率的关系
许多DC-DC转换器的开关频率在200 kHz到500 kHz之间,图4显示在这些频率下衰减并不明显,因此当测量降压转换器的输入电流时,该器件的输出会出现纹波。然而,若在输出电阻R3两端添加一个电容,则该衰减会大大增加,如图1所示。
为了验证是否如此,将输入电压为15 V、输出电压为3.3 V的降压转换器LTC3891连接到4.3 A的负载,并在输入线路中插入图1所示电路。用7个并联1 Ω电阻代替50 µΩ检测电阻,得到142.8 mΩ的分流电阻。测量分流电阻两端的电压,结果如图5所示。

图5.143 mΩ检测电阻上的电压
将一个由47 Ω电阻和10 µF电容组成的RC滤波器放在检测电阻两端,并测量滤波电容两端的电压,如图6所示。这样便可在不改变分流电阻值的情况下,用万用表更准确地测量输入电流。

图6.检测电阻上经过滤波的电压
10 µF电容两端的电压测量结果为143.6 mV,因此输入电流为1.005 A。
接下来测量LTC6102的输出电压。图7显示了没有0.1 µF电容情况下R3两端的输出电压。

图7.未滤波的输出电压

在R3两端添加一个0.1 µF电容可使输出电压测量更准确,如图8所示。
、
图8.R3上的输出电压,使用100 nF电容
使用万用表测得R3上的输出电压为4.75 V。这相当于142.79 mV的分流电压,因此分流电流为0.999 A,接近之前测量的1.005 A。值得注意的是,这两个电流的百分比差异为-0.57%,与图2表格中显示的误差相似。
基于已知数值和测得的输出电压3.28 V,可以计算LTC3891的效率,如公式4所示。

测量大电流
使用图1所示电路。30个4.7 Ω电阻并联连接,形成一个156.6 mΩ负载。使用长10 cm、截面积10 mm2的铜线连接这些电阻。铜的电阻率(ρ)为1.68 × 10-8 mΩm,基于此可计算铜线的电阻,如公式5所示。

因此,铜线增加的负载电阻可忽略不计。
图9所示为连接到汽车电池的分流电路。使用热风枪将导线焊接到分流器上。

图9.完整的电流检测电路
电压表连接在负载两端和LTC6102的输出两端,如图10所示。115.4 mV的输出电压对应于69.38 A的负载电流。对于10.76 V电池,计算得到的负载电流为68.68 A,因此该器件的电流测量精度为1%。

图10.电池电压和LTC6102的输出
关于精度,需要说明的是,图1中R2的容差为5%,50 µΩ分流器也是如此。如果系统要在大电流下进行校准,则应测量每个负载电阻的阻值,以便计算有效并联电阻。一旦获得高精度的负载电阻值,便可测量负载电压,进而确定系统在大电流下工作时的真实精度。
结语
从图中可以看出,LTC6102提供了一种小尺寸解决方案,可以测量非常大的电流并产生以地为基准的输出。图1中使用的50 µΩ分流器最大功耗为36 W,这意味着该电路可以高精度地测量高达800 A的负载电流。该器件的额定电压为60 V(LTC6102HV的额定电压为105 V),能够为各种应用提供出色的解决方案。
上一篇:【已经是第一篇了】
下一篇:【新研究:AI 聊天机器人可能会强化用户的妄想思维】
猜你喜欢