“
这篇文章由ADI公司与Rockwell Automation合作发表,阐述了利用工业级数字输入来生成并行逻辑输出的技术。这种方法保留了此类器件所具备的许多特性和功能。
”
作者:Wei Shi,高级经理
Reinhardt Wagner,前杰出工程师
摘要
这篇文章由ADI公司与Rockwell Automation合作发表,阐述了利用工业级数字输入来生成并行逻辑输出的技术。这种方法保留了此类器件所具备的许多特性和功能。
引言
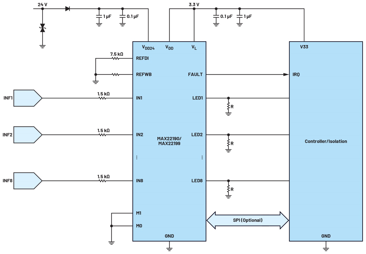
MAX22190和MAX22199默认提供串行化数据,但在需要实时、低延迟或更高速度的系统中,最好为每个工业级数字输入通道提供电平转换的实时逻辑信号。这些工业级数字输入在基于SPI或引脚(LATCH)的时序控制下,对8个24 V灌电流输入的状态进行采样和串行化,以便用户可以通过SPI读出8个状态。使用串行接口可以尽量减少需要隔离的逻辑信号数量,对于高通道数数字输入模块很有帮助。
背景知识
逻辑信号的串行化是指通过对信号进行同步采样,将信号变成时间量化的形式。但这意味着实时信息内容会丢失。在某些系统中,这种信息丢失可能会引发问题。例如,增量编码器或计数器等应用关注开关信号之间的时序差异。这些应用要么需要采用高速采样和高速串行读出,要么需要利用MAX22195所提供的非串行化并行数据。通过并行操作方式使用MAX22190/MAX22199,能够实现诊断功能和配置灵活性。本文深入探讨了这种方法的特点、局限性和设计考量。
详情
这项技术的核心在于将8个LED输出用作逻辑信号。LED可以直观地指示数字输入的状态,这对于安装、维护和使用都很有用。IEC 61131-2标准明确定义了工业级输入的特性和规格,而输出状态本质上是二元的:要么为开,要么为关。
MAX22190/MAX22199采用无能耗LED驱动器,LED由现场传感器/开关供电,而不是从数字输入模块中的电源获得电流/功率。这些器件将输入电流限制在由REFDI电阻设置的某一水平。这样做是为了尽量降低模块的功耗。对于常见的1型/3型数字输入,输入电流通常设置为约2.3 mA(典型值),大于IEC标准要求的2.0 mA最小值。IC将约2.3 mA现场输入(IN)电流的大部分传输至LED输出引脚,芯片仅消耗约160 µA电流。
LED驱动器输出的是电流而非电压,因此需要将电流转换为电压,才能与其他逻辑器件(如数字隔离器、微控制器等)对接。为了实现此目的,电阻是最简便的跨阻元件,如图1所示。

图1.LED引脚用作基于电压的逻辑输出
产品数据手册中没有介绍如何以这种方式使用LED输出引脚。本文探讨了其特性和可能的局限性。
LED引脚特性
在LED引脚上使用接地电阻来产生电压输出时,需要考虑以下事项:
根据MAX22190/MAX22199数据手册所列的绝对最大额定值,容许的最大LED引脚电压为+6 V。因此,LED引脚适合用作5 V(和3.3 V)逻辑输出,但须注意,电压不得高于6 V。
需要评估LED引脚电压对其他关键特性的影响。特别值得关注的是在高LED引脚电压下IN输入电流的变化,因为相关标准对IN输入电流有明确要求。对于3型数字输入,要注意的关键情况是现场电压接近所定义的11 V导通状态阈值电压时。
对于接近11 V电平的三个现场输入电压(9 V、10 V和11 V),图2显示了实测的现场IN电流与LED引脚电压的依赖关系。之所以选择10 V和9 V电平,是因为它们处于3型输入的过渡区间内,并且它们的输入电流没有最小值要求,而11 V要求输入电流的最小值为2 mA。
当现场电压为11 V阈值时,蓝色曲线显示:当LED电压高于约5.8 V时,IN电流开始下降。在6 V时,电流仅下降0.6%。对于9 V和10 V的情况(它们处于对电流无明确要求的过渡区间),测量结果显示:对于高达5.5 V的输入,输入电流仍然高于2 mA。
总之,以上结果表明MAX22190/MAX22199能够产生5 V LED逻辑输出(及3.3 V等较低电压逻辑输出),同时仍然兼容3型数字输入。对于1型数字输入,情况非常简单,因为导通阈值为15 V,要高得多,因而LED引脚也能提供5 V逻辑电平,而不会对现场输入电流产生任何影响。
并行操作示例
图3显示了一个10 kHz现场输入(黄色曲线)及所产生的LED输出电压(蓝色曲线)。LED输出上使用了一个1.5 kΩ电阻,以提供3.3 V逻辑信号。毛刺滤波已禁用(默认旁路模式)。

图2.现场输入电流与LED引脚电压的依赖关系
关于切换条件下LED输出电流的瞬态行为,图3显示了10 kHz切换的情况。使用1.5 kΩ电阻将电流转换为电压。示波器截图显示,LED输出不会产生可能损坏逻辑输入器件的瞬态过冲或下冲。上升和下降时间很快,不会造成信号失真。
使用SPI接口
MAX22190/MAX22199具有SPI可编程滤波器,支持每通道毛刺/噪声滤波。这些器件提供8个最长20 ms的滤波时间常数。针对高速应用,可以旁路滤波器。选定的噪声滤波也适用于LED输出,以使视觉表现与电信号一致。
诊断通过SPI提供,例如低电源电压报警、过热警告、REFDI和REFWB引脚上的短路检测及现场输入的断线检测。
寄存器位的上电默认状态为:
因此,在不需要毛刺滤波(比如对于高速信号)和诊断的应用中,无需使用SPI接口。如果需要每通道可选的毛刺/噪声滤波,或者需要诊断检测功能,则可以使用SPI。

图3.10 kHz切换;通道1:现场输入;通道2:LED输出。
LED输出波形没有显示出过冲或其他不良的异常现象,例如导通状态下电压变化不定。这说明LED输出可以用作电压输出。我们对其特点和局限性进行了研究。
毛刺滤波
MAX22190和MAX22199提供每通道可选的毛刺滤波。下面以滤波时间设置为800 µs的200 Hz开关信号为例,展示毛刺滤波器对LED输出的影响。指定的毛刺宽度通过改变占空比来模拟。对正毛刺和负毛刺均进行了研究。
图4显示了750 µs正脉冲被800 µs毛刺滤波器滤除的示例。因此,正毛刺滤波对LED输出和SPI数据均有效。

图4.正毛刺滤波
然而,负毛刺并未在LED输出端被滤除,如图5所示,750 µs下降脉冲传播到LED输出端。这与使用SPI读出数据的情况不同,后者的正毛刺和负毛刺均被成功滤除。

图5.负毛刺滤波
图6显示了使能800 µs毛刺滤波器且输入以50%占空比切换时的LED输出信号。上升沿延迟约770 µs,而下降沿没有延迟。这说明滤波器未能妥善处理LED输出。

图6.对LED输出的滤波效应
高频切换
对于要求高开关频率、低传输延迟或低偏斜的应用,毛刺滤波会被禁用。在旁路模式(毛刺滤波器)和100 kHz输入下,LED输出产生图7所示的波形。下降沿显示出约60 ns的低传输延迟,但上升沿具有显著的传输延迟和抖动。上升沿抖动在±0.5 µs范围内,平均传输延迟为约1 µs。上升延迟和抖动的原因是约1 MHz的采样,如数据手册中所述。在下降沿不会发生采样,因此响应速度很快。

图7.100 kHz输入切换,滤波器旁路
这表明,LED输出具有最大约1.5 µs的上升时间/下降时间偏斜,并伴有抖动。通道间偏斜在下降沿较低,但在上升沿要高得多。这可能会限制LED输出在某些应用中的使用。
设计考量
本部分讨论LED输出引脚用作电压输出时需要考虑的一些事项。
为确保安全,应当对MAX22190/MAX22199电流驱动型LED输出的电压进行限制,使之不超过所驱动的逻辑输入的安全电平。虽然REFDI电阻将IN现场输入电流设置为典型电流水平,但实际IN电流存在±10.6%的容差,如数据手册中所述。因此,电阻两端的电压将在±10.6%范围内。逻辑输入通常存在严格规定的绝对最大额定值,如VL + 0.3 V,其中VL为逻辑电源电压。当连接两个逻辑信号时,通常使用公共VL电源来确保匹配,因为标准逻辑输出采用推挽或开漏输出,其最大输出电压由逻辑电源VL定义/限制。为了确保输入不超过绝对最大额定值,可以降低典型LED引脚的输出电压。或者,可以认为LED引脚的约2.3 mA输出电流不会对逻辑输入造成损害,因为逻辑输入通常设计成能够承受远高于此的闩锁电流(一般在50 mA至100 mA范围)。这需要针对所考虑的器件进行验证。第三种方案是通过箝位来限制电压,此方案相对而言不理想。
标准逻辑输出为推挽式,阻抗较低,为驱动逻辑输入提供了很好的灵活性。相比之下,LED输出是开漏输出,开关速度由下拉电阻和寄生电容决定。
在无额外电容的情况下,可以实现100 kHz及以上的开关频率。
结论
虽然根据文档的说明,MAX22190/MAX22199工业级数字输入用于串行数据操作,但它们也可用作提供8个并行输出的8通道输入模块。为实现此目的,原本用于视觉状态指示的LED驱动器被转用作基于电压或基于电流的逻辑输出。以这种方式使用并行操作时,是否使用SPI接口并非强制要求,用户可以获得所有诊断和器件配置功能,但也存在一些限制。
致谢
本文系与Rockwell Automation资深硬件工程师Chin Chia Leong合作撰写。
猜你喜欢