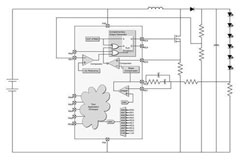
本文介绍了一种简单小巧的解决方案,用于驱动LED来在系统通电/断电的情况下提供视觉反馈。该电路由电阻和小型芯片组成,尽管该芯片原本并非用于此目的,但它取代了传统解决方案中的众多元器件。该电路不仅独立运行且功耗低,同时具备出色的抗误接线稳定性,非常适合用于工业及类似系统。
工业电源指示LED驱动器 2025-4-9 15:06
随着技术的进步,LED照明产品在发光效率、寿命、稳定性等方面的性能不断提升,并能更好地满足用户对产品智能化、个性化的需求。同时在市场产业化和商业化维度来看,LED在工业照明、景观照明、健康照明等细分市场不断地拓展和延伸,未来发展的前景十分广阔。
电路设计 LED照明 东芝半导体 2025-4-8 11:11
驱动电路设计是功率半导体应用的难点,涉及到功率半导体的动态过程控制及器件的保护,实践性很强。为了方便实现可靠的驱动设计,英飞凌的驱动集成电路自带了一些重要的功能,本系列文章讲详细讲解如何正确理解和应用这些功能。
驱动电路设计 驱动器 自举电源 2025-3-21 10:52
现今有很多不同的方案可以为高亮度LED供电。由于多数系统采用电池供电,能效成为延长电池使用寿命和系统工作时间的关键,提高电池的使用效率还有助于加快系统的“绿色”进程。在电池的有效使用期限内,相同充电次数下,延长两次充电之间的时间间隔有可能使电池的有效使用时间延长数百小时。
LED驱动器电源系统 2025-2-11 11:35
随着科技的进步,LED照明技术已经成为节能和智能照明的主流选择。而LED电源调光方案作为智能照明系统的核心,不仅能够实现灯光的亮度调节,还能通过色温调节等高级功能,为用户带来更加个性化和舒适的照明体验。本文将带您深入了解LED电源调光方案的多样性和应用案例,探索智能照明的未来。
LED照明技术LED电源 2025-1-13 10:35
开关模式可调光 LED 驱动器以其高效率和对 LED 电流的控制而闻名。它们还可以提供调光功能,使终用户能够创造出梦幻般的照明效果,同时降低功耗。
LED 驱动器开关模式 2024-11-29 10:40
LED照明因其高亮度、低能耗、长寿命及快速响应等特点,在汽车行业被广泛采用。LED前大灯、日间行车灯、刹车灯和转向灯等已成为众多车型的标准配置。同时,随着智能驾驶技术的进步,汽车LED照明方案也在向智能化方向发展。例如,自适应前照灯系统能够根据路面情况和车速自动调整光束分布,从而显著提高行车安全性;而车内LED照明则支持多种模式切换,为乘客创造更为舒适的乘车体验。
LED照明LED驱动NCV78702 2024-10-18 11:25
LED矩阵管理器为原始设备制造商(OEM)提供先进的前照灯系统,以增强安全性并塑造品牌差异性。该系统提供无缝集成、高性能和安全特性,并有效降低了电磁干扰(EMI),其中还内置了对数淡入/淡出功能,并具有低RDS(ON)和摆率控制,确保系统以出色状态运行。本文讨论如何使用LED矩阵管理器来提升汽车前照灯系统设计的智能化。
LED矩阵管理器 智能前照灯系统 LED前照灯 2024-9-24 15:07
在很多系统中(包括汽车动力输出系统中部署的众多调节器),功率转换控制器的设计都是一项困难而复杂的工作。本文说明了LED驱动器使用的不同开关拓扑的优势、权衡取舍和应用,旨在简化选择过程。
LED驱动器 开关拓扑 降压转换器 ADI 2024-9-24 10:25
由于发光二极管 (LED) 具备能效高、寿命长、用途广等优势,因此在各种应用中广受欢迎,正如图1所示,可应用在家庭、办公室、汽车和电子显示屏等应用场景中。LED 技术不断进步,以满足不断发展的需求。这种进步包括集成先进功能,如智能照明与物联网(IoT)技术,以及通过提高发光效率、热量管理和整体性能来提高 LED 照明或指示灯的效率。
发光二极管(LED) LED 技术 2024-8-29 08:34
利用ADI的工业电池解决方案优化电源